行业资讯

行业资讯

行业动态、科技前沿、新能源资讯

生产厂家解析常用的锂电池串联使用的电压均衡电路

2020-09-02 ryder

生产厂家解析常用的锂电池串联使用的电压均衡电路

因为锂电池的特殊性,锂电池组通常是搭载保护电路共同使用的,随着锂电池行业的发展,锂电池的能量密度越来越高,动力锂电池更倾向于使用高能量密度的锂电池,在动力锂电池的串联使用中必须使用电压均衡电路。锂电池生产厂家和大家分享一下,经常使用的几种电池均衡电路,希望对大家有所帮助。
 
一、负载消耗均衡方式
         即在每个节电池上并联一个电阻,串联一个开关进行控制。当某串电芯的电压过高时,被动打开开关,充电电流通过电阻分流。这样,高电压电池的充电电流较小,而低电压电池的充电电流较大。通过这种方式,可以实现动力电池组的电压的平衡。
不过这种方式只适用于低容量的电池,越高容量,随着需均衡的电流越大,这种方式的均衡将会更加吃力。
负载消耗平衡原理图
二、摆度电容法
      每一个电池都与一个电容器并联,电容器可以与开关并联。当某串电芯的电压过高时,先将电容器与电池并联,电容器电压与电池电压相同。然后电容器被切换到邻近的电池,并且电容器放电电池。实现能量的转移。由于电容器不消耗能量,它可以实现一个无损的能量转移。如果是这种方式,就需要很多开关来控制。
飞度电容法的工作原理图就是画出两个相邻电池的均衡原理图
 
第一个均衡是动力电池组的充电。80AH的电池容量与两组并联,均衡电流要求为10A。原平衡的原则理论上是不够用的,如此大的电流相当于一个小模块,最后还真的是使用n系列的小模块,每个电池并联一个小模块,如果单体电池电压低于设定值,并行启动相应的模块,开始给低电压电池启动充电,补充能量提高电压,实现平衡。
 
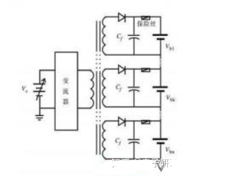
下图是当时采用的均衡电路原理图。DC-DC输入母线可以是电池电压,也可以是其他模块提供的直流输入,可根据需要灵活配置。
主动均衡方法可以采用前面提到的变压器多路复用方法。
 
 
 
我用这种平衡方法平衡了1000AH, 7系列电池和300AH, 80系列电池。平衡完成后,所有单体电池的电压可达到5mV以内。
多绕组变压器方法结构图
 
主动均衡也可以采取能量转移的形式。所谓能量转移,既可以从整组电压中获取能量来补充低压部分,也可以从电压过高的电池中获取能量来反馈整组电压。
 
第二种方法在通信供电系统中实现电池均衡。电路原理图如下:
所以我们所做的就是平衡16个锂电池,把它们分成两组,每组8个电池,这里我们只画了6个描述它们是如何工作的。
 
在实验过程中,两组被均衡。当两组有偏差时,可采用双向DC-DC进行能量转换,采用的模块数量少,设计更方便。
 
这里并没有使用双向DC-DC,而是简单地用能耗来平衡两组之间的电池。从最终的测试结果来看,电池的平衡是比较好的。

如果电池B5电压过高,控制Q5工作在PWM模式。当Q5打开时,电感器L5可以储存能量。当Q5关闭时,电感器中储存的能量通过D5给电池B1-B4充电,降低B5电池的电压,提高剩余电池的电压。同样的原理也可以用来分析电压过高时剩余电池组的工作过程。
 
平衡的过程中,如果觉得没有必要给每个电池来提供所有的充电模块,这样做能量消耗达不到技术要求,还需要主动平衡,那么上述变压器一拖多输出方法,可能更适合,使用合适的变压器作为原边反馈的限流多路输出反激电源就可以了。
 
随着动力锂电池应用的发展,不仅对电池的平衡、过充过放保护需恰当,同时也表示极板保护的应用会越来越广泛。
 
 
声明: 本站所发布文章,均来自于互联网,不代表本站观点,如有侵权,请联系删除  微信:13724262620

声明: 本站所发布文章部分图片和内容自于互联网,如有侵权请联系删除

用手机扫描二维码关闭
二维码