行业资讯
行业动态、科技前沿、新能源资讯
行业资讯
行业动态、科技前沿、新能源资讯
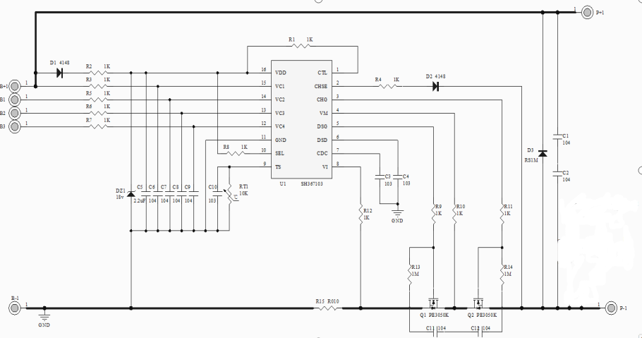
锂电池保护板(BMS)保护功能通常由保护电路板和PTC等电流器件协同完成,保护板是由电子电路组成,在-40℃至+85℃的环境下时刻准确的监视电芯的电压和充放回路的电流,及时控制电流回路的通断;保护板通常包括控制IC、MOS开关、电阻、电容及辅助器件FUSE、PTC、NTC、ID、存储器等。其中控制IC,在一切正常的情况下控制MOS开关导通,使电芯与外电路导通,而当电芯电压或回路电流超过规定值时,它立刻控制MOS开关关断,保护电芯的安全。

在正常的情况下,Vdd为高电平,Vss,VM为低电平,DO、CO为高电平,当Vdd,Vss,VM任何一项参数变换时,DO或CO端的电平将发生变化。
1、过充电检出电压:在通常状态下,Vdd逐渐提升至CO端由高电平变为低电平时VDD-VSS间电压。
2、过充电解除电压:在充电状态下,Vdd逐渐降低至CO端由低电平变为高电平时VDD-VSS间电压。
3、过放电检出电压:通常状态下,Vdd逐渐降低至DO端由高电平变为低电平时VDD-VSS间电压。
4、过放电解除电压:在过放电状态下,Vdd逐渐上升到DO端由低电平变为高电平时VDD-VSS间电压。
5、过电流1检出电压:在通常状态下,VM逐渐升至DO由高电平变为低电平时VM-VSS间电压。
6、过电流2检出电压:在通常状态下,VM从OV起以1ms以上4ms以下的速度升到DO端由高电平变为低电平时VM-VSS间电压。
7、负载短路检出电压:在通常状态下,VM以OV起以1μS以上50μS以下的速度升至DO端由高电平变为低电平时VM-VSS间电压。
8、充电器检出电压:在过放电状态下,VM以OV逐渐下降至DO由低电平变为变为高电平时VM-VSS间电压。
声明: 本站所发布文章部分图片和内容自于互联网,如有侵权请联系删除