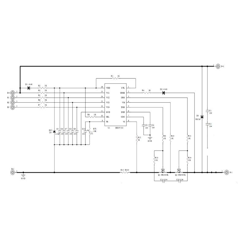
BMS电池管理系统
BMS系统指电池管理系统(英语全称:Battery Management System):是对电池进行充放电管理的系统
BMS电池管理系统
BMS系统指电池管理系统(英语全称:Battery Management System):是对电池进行充放电管理的系统
型号编码:(RYD-04S-084) 510104005A037
BMS规格:4串 5/20A 35.5*35.5*3.5
电压保护:4.25±0.025V(充电) / 2.7±0.080V(充电)
电流保护:10±2A(一级放电) / 20±2.5A(二级放电)
自耗电流:≤40μA
通讯类型:/
均衡方式:自动
温度保护:NTC
产品描述:一款扫地机器人用锂电池锂电池保护板,支持持续5A放电电流,2级过流保护设计,支持符合锂电池特性的过充过放和温度保护。集成芯片自动均衡设计。

| 项目 | 详细内容 | 标准 |
| 过充保护 | 过充电检测电压 | 4.250±0.025V |
| 过充电检测延迟时间 | 1±0.5S | |
| 过充电解除电压 | 4.150±0.050V | |
| 过放保护 | 过放电检测电压 | 2.700±0.080V |
| 过放电检测延迟时间 | 1±0.5S | |
| 过放电解除电压 | 3.000±0.100V | |
| 过流保护 | 一级过电流保护电流 | 10±2A |
| 一级检测延迟时间 | 1±0.5S | |
| 二级过电流保护电流 | 20±2.5A | |
| 二级检测延迟时间 | 100±50mS | |
| 保护解除条件 | 断开负载 | |
| 最大持续电流 | ≤5.0A | |
| 短路保护 | 保护条件 | 外部电路短路 |
| 保护 | 有 | |
| 保护解除条件 | 断开短路电路 | |
| 内阻 | 保护板线路内阻 | ≤65mΩ |
| 静态电流 | 自耗电流 | ≤40μA |
| NTC | 有 | R-0603-10KΩ-B3435±3% |
| 仪器电压误差 | ±0.005V | |