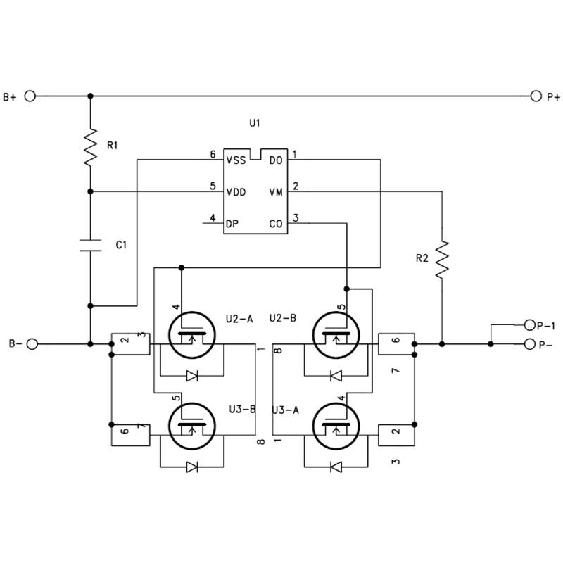
BMS电池管理系统
BMS系统指电池管理系统(英语全称:Battery Management System):是对电池进行充放电管理的系统
BMS电池管理系统
BMS系统指电池管理系统(英语全称:Battery Management System):是对电池进行充放电管理的系统
型号编码:(RYD-01S-075)51010103A5022
BMS规格:01S 3.7V 3.5/6.5A
电压保护:3.7V 3.5/6.5A(过充) / 2.500±0.05V(过放)
电流保护:6.5±1.5A
自耗电流:≤7μA
通讯类型:/
均衡方式:无需
温度保护:/
产品描述:18650锂电池单体电池保护板,3.7V 3.5A持续放电,6.5A保护,支持过充,过流,过放和短路保护。保护板线路内阻≤40mΩ。

| 项目 | 详细内容 | 标准 |
| 过充保护 | 过充电检测电压 | 4.275±0.025V |
| 过充电检测延迟时间 | 1.2±0.3S | |
| 过充电解除电压 | 4.075±0.025V | |
| 过放保护 | 过放电检测电压 | 2.500±0.05V |
| 过放电检测延迟时间 | 144±29mS | |
| 过放电解除电压 | 2.900±0.05V | |
| 过电流保护电流 | 6.5±1.5A | |
| 检测延迟时间 | 9±2mS | |
| 保护解除条件 | 断开负载 | |
| 最大持续电流 | ≤3.5A | |
| 短路保护 | 保护条件 | 外部电路短路 |
| 保护 | 有 | |
| 保护解除条件 | 断开短路电路 | |
| 内阻 | 保护板线路内阻 | ≤40mΩ |
| 静态电流 | 自耗电流 | ≤7μA |
| NTC | 无 | |
| 仪器电压误差 | ±0.005V | |