行业资讯
行业动态、科技前沿、新能源资讯
行业动态、科技前沿、新能源资讯
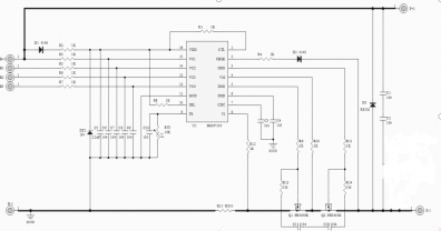
锂电池保护板(BMS)保护功能通常由保护电路板和PTC等电流器件协同完成,保护板是由电子电路组成,在-40℃至+85℃的环境下时刻准确的监视电芯的电压和...
2021-02-17
UPS不间断电源在计算机房设备中的应用及工作原理,近年来,随着社会的发展,计算机机房设备系统在全国普遍应用,在生产和学习过程中对于网络的依赖...
2021-02-05
众所周知,圆柱锂离子电池是相对安全,且稳定的一款电池形态,制作工艺也经过长时间的积累越发精湛,相对其他形状的锂电池,圆柱形锂电池的安全性...
2021-01-28